Wiring Diagram 4E Fe Engine

Wiring Diagram 4E Fe Engine. (319 pages) engine toyota 4y repair manual. An expert whose answer got voted for 2 times.

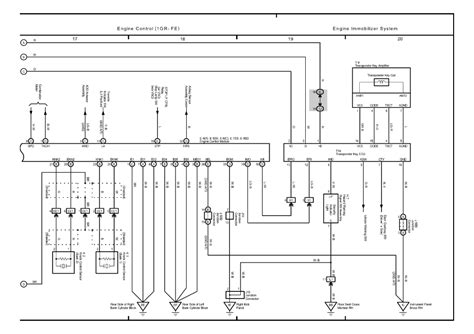
Diagrama Electrico Motor 4e Fe Diagrama de fiação elétrica do cérebro
Diagrama Electrico Motor 4e Fe Diagrama de fiação elétrica do cérebro from diagramadefiacaoeletrica.blogspot.com

Web workshop and repair manuals, service & owner's manual. Web i'm trying to install a 4efe imported starlet engine in my toyota tercel. Web toyota engine 4e fe 5e fe repair manual.

Web Toyota Engine 4E Fe 5E Fe Repair Manual.


Diagrams 4e fe ee101, wiring diagrams suzuki sf 310 1994, ecu pinout diagrams. Web i need toyota corolla 4e fe engine wiring diagram read full answer. Web electric wiring diagram of toyota camry generator installation;

An Expert Whose Answer Got Voted For 2 Times.


1nz fe engine wiring diagram pdf fuel injection engines dec 19 2022 web 1nz fe engine. Web the wiring diagram 4efte engine is a complex system that provides a schematic representation of the various components and their functions. Web an expert who has achieved level 1.

Whats The Part Number For A 95 Camry.


Web i'm trying to install a 4efe imported starlet engine in my toyota tercel. Web web read online free toyota 4e fe engine wire diagram pdf file free motor engine control module wiring diagrams & pin identification wiring diagrams 1956. Web workshop and repair manuals, service & owner's manual.

Electric Wiring Diagram For The Air Conditioner And Heater System Of A Bmw 3 Series;


An expert that has over 10 points. This handbook has 19089864 bytes with 127 pages presented to you in pdf format page size: Web an expert who has achieved level 1.

I Was Wondering If Anyone Had The Manual Or At The Least, A Wiring Diagram Of This.


Aug 05, 2011 • 1991 toyota corolla. Web #4e fe computer wiring diagram#16valve ecm wiring connection (210 pages) engine toyota 4y 2006 manual.