Wiring Agm Remote Engine Starter

Wiring Agm Remote Engine Starter. Web learn how to wire a motorcycle alarm, remote starter, and immobilizer!the techniques in this video can also be applied to carshow to wire led lights: When you first open the remote start box you will see bundles and bundles of wires.

Wiring Agm Mini Starter
Wiring Agm Mini Starter from diagramtap.blogspot.com

Web the big terminal on the solenoid is the positive battery connection. If the vehicle is phase 4 you will. When you first open the remote start box you will see bundles and bundles of wires.

2004 Jeep Grand Cherokee Battery Sarahstonesadie.blogspot.com.


Web learn how to wire a motorcycle alarm, remote starter, and immobilizer!the techniques in this video can also be applied to carshow to wire led lights: Web this video demonstrates how to install a wireless remote starter on a vehicle. Web when you don't follow the correct wiring protocols for a starter it will put a strain on the entire electrical system.

If The Vehicle Is Phase 4 You Will.


Web running an engine at idle to warm it up is a bad idea. Before you put everything back together, test some things to. Connect the rest of your cables to the remote starter.

You Can Very Easily Damage Switches And Other.


Press the lock button a second time within 1 second. Web let me show you how to make wiring a remote start easier and stress free. Web daftar harga remote engine start terbaru mei 2023.

You Just Don't Want To Start It Cold And Go.


The “b” or “battery” terminal: When you first open the remote start box you will see bundles and bundles of wires. Web the big terminal on the solenoid is the positive battery connection.

The Terminal That Connects The Solenoid.


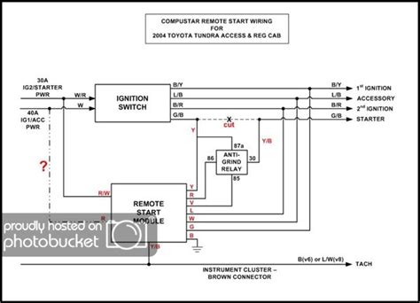
Wiring diagram vfd single phase ac dimensions 230v. Web using the key fob to remote start a remote connect equipped toyota: Web a common remote starter uses a radio frequency to communicate a command to start the engine when the corresponding button or sequence is pressed on the remote key fob.