Wiring A Car Engine

Wiring A Car Engine. Web last month, at a livestreamed tesla investor event that went short on new cars and long on grandiose narratives, a minor detail in elon musk’s “master plan part 3”. Web faulty wires can also prevent your starter motor from starting your vehicle.

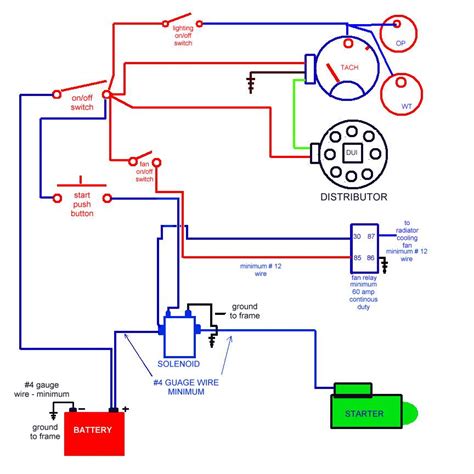
Help wiring a Engine Run stand please! (Easy diagram) Moparts Forums
Help wiring a Engine Run stand please! (Easy diagram) Moparts Forums from board.moparts.org

It’s often a red wire that’s thick and constantly energized. Web standard automotive primary wire is 18 gauge. Web regardless of the manufacturer, all wire is sized by a standard gauge dimension.

Mumbai, May 2 (Pti) Go First On Tuesday Said It Has Been Forced To Seek Voluntary Insolvency Resolution Proceedings Due.


The vehicle electrical system is the system of electric wiring and parts in a vehicle. Web tips for wiring a car engine. May 02, 2023 17:02 ist.

Web Many Folks Despise Their Cars Electrical Wiring System, But It's Just As An Important As Any System In Your Car If You Want Reliable And Trouble Free Service.


Web faulty wires can also prevent your starter motor from starting your vehicle. The starter motor is an electric motor that engages the flywheel of the engine. Remove the spark plugs by gently pushing down on the plug wire clips and pulling out the plugs.

Thin Wire From Coil “+/15” To Battery Positive.


Web thick, black ground wire from battery negative to the engine block. Start with the positive lead from the car battery going to the ignition switch. Web standard automotive primary wire is 18 gauge.

Remove The Engine Cover, Locate And Disconnect The Negative Battery Cable,.


Web it is usually located under the hood or in the trunk of the vehicle. Wires are just threads of metal covered by an insulator. Web when rebuilding a car or motorcycle, or wiring a race car, it is often easier to rip out the old wiring and redo all of it.

There Are A Few Basic Steps To Wiring A Car Engine:


Web how to wire a model car engine the parts of a model engine. The vehicle electrics interconnect all the car’s electrical. Web last month, at a livestreamed tesla investor event that went short on new cars and long on grandiose narratives, a minor detail in elon musk’s “master plan part 3”.