Windshield Wiper Motor Wiring Diagram Basic

Windshield Wiper Motor Wiring Diagram Basic. Web if you’re in the market for a new gm wiper motor, but aren’t sure which wire colors to look for, this wiring diagram should help. Web this video shows how to easily wire a wiper motor into anything!

Projects and stuff Windshield wipers
Projects and stuff Windshield wipers from efriesen.blogspot.com

It has two speeds and has a working park position. Web with the wipers and ignition on, whack the motor assembly with the handle of a screwdriver or a rubber mallet. Web the wiring diagram for wiper motors will show you the connections between all the wires, components, and switches that make up the electrical system.

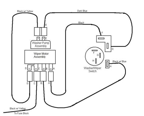
Web The Wiring Diagram For Wiper Motors Will Show You The Connections Between All The Wires, Components, And Switches That Make Up The Electrical System.


Web i would measure the resistance between each pin and the case (ground). It’s a good idea to do some diagnostic work to ensure that the wiper motor is bad. I used a universal windshield wiper switc.

Web Thank For Watchingshare, Like, Comment And Subscribes.please Follow Us On Our Facebook Page.kenkej Autoelectrixito Ang Link Kung Paano Maghanap Ng Low Sp.


Web the valeo windshield wiper motor wiring diagram is a fundamental part of any vehicle's electrical system. It has two speeds and has a working park position. May 10, 2021 by wiring digital.

Web With The Wipers And Ignition On, Whack The Motor Assembly With The Handle Of A Screwdriver Or A Rubber Mallet.


The basic colors are black, red, white, and yellow. Web overall, knowing the basics of a wexco wiper motor wiring diagram can help you diagnose and repair any issues you may have with your windshield wipers. Web wiring diagram for wiper motor.

There Should Be Two Pins That Measure Infinite Resistance Because They Are Not.


Open the driver side door and use a flashlight to look up under the dash, behind where the wiper switch is located on the dash, to find the wiper switch terminal block. Web if you’re in the market for a new gm wiper motor, but aren’t sure which wire colors to look for, this wiring diagram should help. It identifies the wiring used to control the motor, how it.

Windshield Wiper Motor Wiring Tutorial.


Web the typical windscreen wiper wiring diagram for a chevy vehicle shows an electric motor connected to a series of switches, relays, and other electrical. Start by checking the wiper. Web how to diagnose a faulty windshield wiper motor.