Whirlpool Range Surface Element Wiring Diagram

Whirlpool Range Surface Element Wiring Diagram. Web i offer some tips and advice on replacing the broken whirlpool w10823726/wp77001038 dual surface element.this particular dual surface element. Web buy part wpw10275049 now:

Range Surface Element WPW10259865 Official Whirlpool Part Fast
Range Surface Element WPW10259865 Official Whirlpool Part Fast from www.partselect.ca

Web i offer some tips and advice on replacing the broken whirlpool w10823726/wp77001038 dual surface element.this particular dual surface element. Surface burner element receptacle kit for electric. Web whirlpool 465 user manual • electric range wiring diagram, l1 l2 n • whirlpool radio

I Checked The 3 Pin Outlet Getting 120 And 240 On Each.


Wire, receptacle & wire connector; Grid is 1 inch square. Web whirlpool 465 user manual • electric range wiring diagram, l1 l2 n • whirlpool radio

Web For Example, A Common Whirlpool Wiring Diagram Will Show A White Wire That Has A Voltage Of 120 Volts And A Black Wire That Has A Voltage Of 220 Volts.


This switch is for a 6 element. Web buy part wpw10275049 now: Web whirlpool range/stove/oven element receptacle and wire kit.

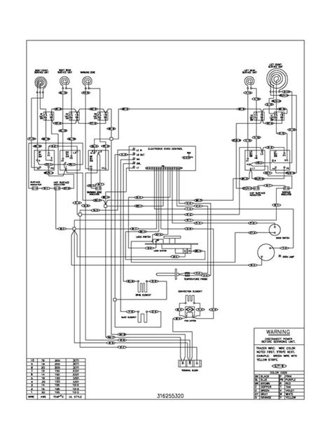
Web Electric Range With Coil Cooktop (Without Eoc) Important Do Not Remove This Bag Or Destroy The Contents Wiring Diagrams And Service.


Web i offer some tips and advice on replacing the broken whirlpool w10823726/wp77001038 dual surface element.this particular dual surface element. Web oven circuit stove wiring diagrams troubleshooting diagram for a jenn air jmw9527cab wall microwave combo samurai appliance repair man s blog appliantology. Surface burner element receptacle kit for electric.

Select Utensils Having Flat Bottoms Large Enough To Cover The Surface Unit Heating.


Web whirlpool genuine oem wp3149404 range surface element switch.